New statutory requirements for fixed inert gas systems will enter into force on 1 January, 2016, as a result of changes to SOLAS, the Fire Safety Systems (FSS) Code and the International Bulk Chemical (IBC) Code.
- The fitting of a fixed inert gas system will be required for tankers of 8,000 tonnes deadweIGht (dwt) and over, constructed (keel laid) on or after 1 January, 2016. Previously, this applied only to tankers of 20,000 tonnes dwt and over.
- Tankers 8,000 dwt and over, carrying low-flashpoint cargoes, and constructed (keel laid) on or after 1 January, 2016, must be provided with a fixed inert gas system complying with Chapter 15 of the amended FSS Code (or an equivalent system – subject to acceptance by the flag administration)
- The existing clause in SOLAS Regulation II-2/4.5.5.2 for waiving the requirements for a fixed inert gas system still applies to all gas carriers, but for chemical tankers it now only applies to those constructed before 1 January, 2016. This means that chemical tankers constructed (keel laid) on or after 1 January, 2016, and carrying flammable cargoes such as those listed in the IBC Code chapters 17 and 18, will be required to have a fixed inert gas system, regardless of cargo tank size and tank washing machine capacities.
Operational requirements for chemical tankers
New SOLAS regulation II-2/16.3.3 clarifies the operational requirements for inert gas systems, and the sequence of applying the inerting medium into the cargo tanks.
- Regulation II-2/16.3.3 allows chemical tankers the option to begin inerting their cargo tanks after the cargo tank has been loaded, but before commencing unloading, but only if nitrogen is used as the inerting medium. In this instance, the nitrogen inerting should continue until the cargo tank has been purged and freed of all flammable vapours prior to gas freeing.
- The changes to the IBC Code clarify the operational procedures for new and existing chemical tankers.
- Chemical tankers which carry products containing oxygen-dependent inhibitors.
The oxygen content of the Inert Gas supplied to cargo tanks should be 5% or less. However, it is to be noted that too less content of oxygen in the IG would introduce other impurities into the cargo tanks.
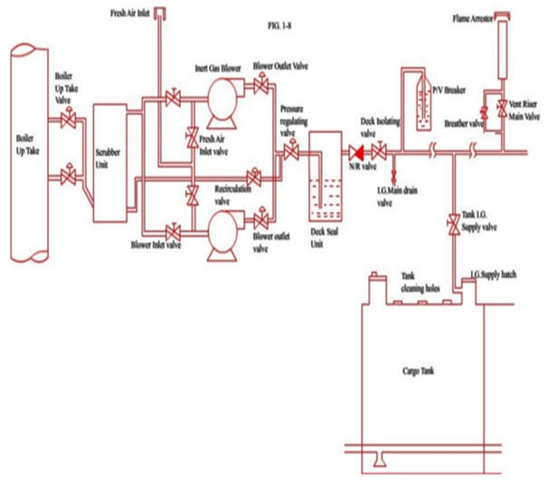
General arrangement of the inert gas system.
The general arrangement of the inert gas system is as follows:
- The inert gas generator-
Exhaust gas from the main boiler or the auxiliary boiler is used.
- Scrubber
This is installed to clean and cool the exhaust gas.
- Demister
This is installed to separate water and solid contained in the inert gas coming from the scrubber sucked by the fan.
- IG fan
This is a single stage centrifugal blower driven by the motor, which draws out the gas coming through the uptake of the boiler and sends it out to the deck seal unit through the scrubber and demister.
- Control valve
This valve adjusts the pressure in the inert gas line in accordance with the pre set pressures.
- Deck seal unit
The inert gas coming from the IG blowers is sent to the individual tanks trough the deck seal unit .The main purpose of the deck seal is to prevent the back flow of HC gas into the IG system and then into the boiler. The deck seal is an additional precaution in case of failure of the non return valve situated after the deck seal and before the IG isolating valve.
- Deck isolating valve
The inert gas coming out of the deck seal unit is distributed to each cargo tank through this valve.
- The scrubber unit
The purpose of the scrubber is to purify the exhaust gas and to remove solid substances and to cool the exhaust gas.
Regulations for I.G blowers:
- SOLAS Regulations 62.3.1 require that inert gas shall be provided to the cargo tanks at a rate which is at least 125% times hIGher than the volumetric rate of discharge of cargo from the ship.
- It is also required to have two blowers for this purpose which should be capable of doing so jointly.
- A shut off arrangement must be provided in the suction and discharge connection side of the blowers.
- It is also required to have two blowers for this purpose which should be capable of doing so jointly. However in actual situations a variety of combinations are used by manufacturers depending on the exact requirements. This is acceptable as long as the regulations of 125% are complied with.
- There must be high temperature alarm ( around 65-70 deg Celsius) and a hIGh temperature trip (around 75-80 deg Celsius) to safeguard the blower.
- The blower pressure/volume characteristics should be matched to the maximum system requirements. The characteristics should be such that in the event of the discharge of any combination of cargo tanks at the discharge rate a minimum pressure of 200 mm water gauge is maintained in any cargo tank after allowing for pressure losses due to :
- The scrubber tower and demister
- The piping conveying the hot gas to the scrubbing tower
- The distribution piping downstream of the scrubber
- The deck water seal
- The length and diameter of the inert gas distribution system.
